
1 575 ₴
1 170 ₴
Показати оптові ціни

| Користувальницькі характеристики | |
|---|---|
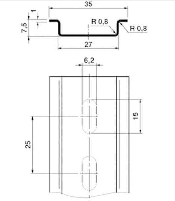
| Висота продукту | 7.5 |
| Модель із каталогу виробника | NS 35/ 7,5 ZN gelocht 2000MM |
| Номер за каталогом виробника | 1206421 |
| Розміри | (Ш x В) 35 мм x 7,5 мм |
| Зв'язок | - |
| Сумісність | Монтаж на DIN-рейку |
| Вміст | 2 |
| Специфікація | Перфорований |
| Специфікація матеріалу | Оцинкована сталь |
| Тип | НС 35/ 7.5 ЗН |
| Ширина вироби | 35 |