


1 553 ₴
Показати оптові ціни


| Користувальницькі характеристики | |
|---|---|
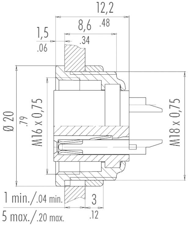
| Діаметр дроту (система AWG) | 24 |
| Діапазон поперечного перерізу | 0,25 мм2 (макс.) |
| Захисний контакт | Немає |
| Кількість контактів | 12 |
| Контактний матеріал | позолочений |
| Максимальна температура | +90 |
| Максимальний поперечний переріз | 0,25 |
| Матеріал корпусу | нікельований |
| Мінімальна температура | -40 |
| Модель із каталогу виробника | 09-0332-00-12 |
| Номер за каталогом виробника | 09-0332-00-12 |
| Номінальна напруга | 60 |
| Номінальний струм | 3 |
| Номінальний струм — округлений | 3 |
| Загальна кількість контактів | 12 |
| Поперечний переріз | 0,25 |
| Поперечний переріз з'єднання | <br> <Макс/> 0.25 |
| Розмір | М16 |
| Ряд | 680 |
| Зв'язок | для паяння |
| Сертифікат опору | IP40 |
| Вміст | 1 |
| З'єднувальні компоненти | паяний |
| Специфікація | гніздо пристрою |
| Ступінь забруднення | 2 |
| Тип закриття | гвинти |
| Тип продукту | Круглий з'єднувач |
| Тип роз'єму | вбудований гніздовий роз'єм |
| Кут з'єднання | 180 |
| діапазон температур | -40 - +85 |