2 867 ₴
Показати оптові ціни
| Основні | |
|---|---|
| Кількість контактів | 3 |
| Колір | Чорний |
| Матеріал | Поліуретан |
| Користувальницькі характеристики | |
| Довжина кабелю | 5 |
| Виготовлення з'єднувача клапана | Стандарт |
| Максимальна температура | +80 |
| Матеріал обкладинки | ПУР |
| Мінімальна температура | -40 |
| Модель із каталогу виробника | SAC-3P-5,0-PUR/A-1L-V 230V |
| Номер за каталогом виробника | 1400648 |
| Номінальна напруга | 230 |
| Загальна кількість контактів | 3 |
| Вміст | 1 |
| З'єднувальні компоненти | кабель із вільним кінцем |
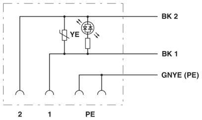
| Технічні характеристики схеми | з варістором |
| Тип дисплея | ВЕЛ |
| Тип продукту | Роз'єм клапана «тато» з литим кабелем |
| Тип роз'єму | кутовий сполучник із зовнішньою різзю |